Sponsoring und Spenden von Unternehmen, an denen das Land beteiligt ist

/ 34
PDF herunterladen
a SCHLESWIG-HOLSTEINISCHER LANDTAG Drucksache 14/2730

14. Wahlperiode 24.02. 00

Kleine Anfrage
der Abgeordneten Brita Schmitz-Hübsch (CDU)

und

Antwort

der Landesregierung — Minister für Finanzen und Energie -—

Sponsoring und Spenden von Unternehmen, an denen das
Land beteiligt ist

1. Wie heißt der gemeinnützige Verein, der 1997, 1998 und 1999 von
der Landesbank Spendenmittel über insgesamt rd. 750.000 DM
zur Waldaufforstung in Schleswig-Holstein erhalten hat? Auf wes-
sen Antrag und mit welcher Begründung sind diese Mittel zur
Verfügung gestellt worden?

Die Landesbank Schleswig-Holstein Girozentrale (LB Kiel) verfolgt lang-
fristig das Ziel, die aus dem nicht vermeidbaren Restenergieverbrauch
resultierenden CO>-Emissionen durch die Förderung von Neuwaldbil-
dungen und Niedermoorrenaturierungen in Schleswig-Holstein mit dem
Ziel der CO2-Neutralität zu kompensieren.

Für diese Klimaschutzmaßnahmen wurden im Rahmen der Umwelt- .
schutzaktivitäten der LB Kiel in Schleswig-Holstein in den Jahren 1997
bis 1999 insgesamt 383 TEUR aufgewendet. Hierbei unterstützt die LB
Kiel der gemeinnützige Verein Prima Klima in Düsseldorf, der auch die
finanzielle Abwicklung mit der Beschaffung von Spendenbescheinigun-
gen für die LB Kiel übernimmt und die CO2-Gutschriften vertraglich mit
den Grundstückseigentümern vereinbart. Ebenso ist der Bereich Um-
welt- und Energieförderung der Investitionsbank involviert.

 

 

Die Landtagsdrucksachen sind fortlaufend und einzeln beim Verlag Schmidt & Klaunig, Ringstraße 19, 24114 Kiel, Tel. (0431) 6 60 64-0, Fax (0431) 6 60 64-24, zu beziehen.
1

Drucksache 14/2730 Schleswig-Holsteinischer Landtag — 14. Wahlperiode

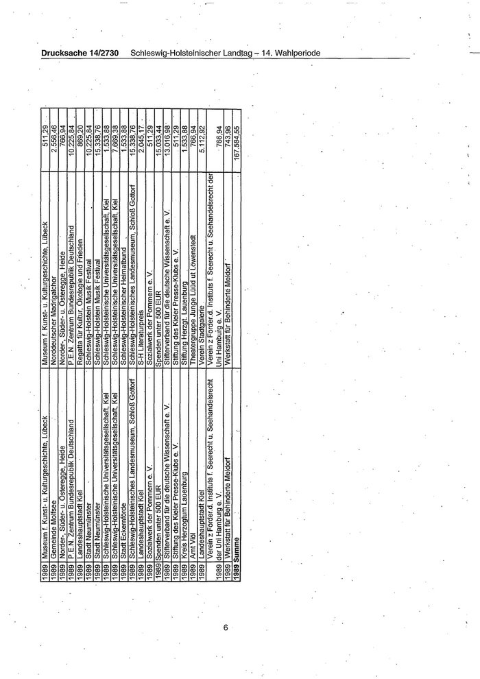
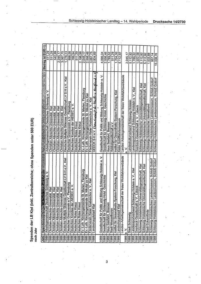
2. Im Zeitraum 1988'bis 1999 hat die Landesbank Spenden in Höhe
von rd. 3,6 Mio DM ausgezahlt. In der Kleinen Anfrage, Drucksa-
che 14/2714, sind aber nur Empfänger von rd. 60.000 DM nament-
lich bekannt. Wer sind die Empfänger der übrigen 3,54 Mio DM?

Zur Beantwortung dieser Frage wird auf die beiliegende Liste verwiesen.
Da diese Liste vervollständigt wurde — insbesondere sind nun auch die
Spenden der Zweigstellen derLB Kiel berücksichtigt— entstehen geringe

Abweichungen ‚zu den bisher angegebenen jährlichen Spendensum-
“men.

Zur besseren Übersichtlichkeit und aus Gründen der Vereinfachung hat
die LB Kiel Spenden unter EUR 500,- jeweils in einer Summe ausge-
wiesen. Hierbei handelt es sich überwiegend um Spenden aus Anlass
von Geburitstagen, Jubiläen, Trauerfeiern u.ä.
2

Drucksache 14/2730

Schleswig-Holsteinischer Landtag — 14. Wahlperiode

 

                        

                

          
  

   

   

 

            

         

          

#0909 Yolyag "uinssnwsapue] seyasiufg}sjoH-ÖimssjuoS | 4ON09 Jolyas "wnssnwsepue] SeyastulajsjoH-DiMsejuIS

oo
aQ&
oO
.

                

 

                    
    

      

 

 

                              

           

          

    

                  

                           

             
         
 

          

              

     

              
              

                             

 

         

 

                  

            
            

          

        

  

   

               

         
  

    

               

       
 

                

     

       
 

 

                                                       

                                                       

 

                                 

 

      

                

 

                                    

 
     

                                             

             
 

                            

       

   

          

    

   

       

 

                        

             

   

    

 

      

 

   

#0909 yolyas "wnesnwsapue” saysstulgjsjoH-Bimsejysg | HON0H Yoıyog "wnasnwsapue] Sauosiuls]sjoH-DIMse]Uog | 8861|
| 8Bigesı | pungjeuo} JS49SIUIa]S[oH-Dimssiyos ' ' OP1QJU12Y93 JpeIS | 8861|
| zB | . ja "yeyasjesaßsjenssentun Syasiuls}s[joH-DiMsa]ysS 1814 'yeyasessdsjeisientun Byosiute}sjoH-Dimsaluos | 8861|
| zz | jaIM Yeyssjassßsjeisienun Syostula}sjoH-Bimsajyos jet Yeyasjesaßsgeisienun syssiujejsioH-Bimsaluss | 8861]
| _ BEZ | Y92gn7 "A "O8 yeydsjeseg-NIogqIsao 498907 "AO yeyosjsssg-423q12nd | 8861|
| __ zu | a4 "A 9 uIEISIOH-BimsajyaS Puegsenpodssapue] 1a "A 8 ulejsjoH-Bimsejyog puegienpodssapue] | 8861]
zes | UISISIOH-Dimsajysg pueglornynysopue] BImsajyas Ipeıs | 8861|

Z1'SPO'Z 8 "A 9] 8861

| SPUFgISASHYENUOM UalaJ} Jap Yeyssumweßsjagiy-sapue | Spuegssnspenyom Ualey) op yeyosurmweßspegiy-sapue]
I za |] — WINSSNWSPYENNYDS Jajaly jaly} JpejsIdneysapue | 8861
| ___ 08902) | 1914 "BunyosJo4-WOJSÄS-SNOUPUNSIS) Inj InNSUJ je ‘Bunyas3o4-weIsÄg-saypunsag m) Iniysuf | 8861|
ol "A'3 yeyosjlesoßlsggaH usıngjossam Ipeis | 8861.
|___zS6B | vswaug 'PyEJS3S sneH usweJg 'pyejaas sneH | 8861|
I ___9rigssz |] SIUIIYISSH ISIOH-ÄIMSEIYOS In} yeyoseseg) SIYOIYISSQ SIOH-BIMSEIUOS An} Yeydsiessg | 8861|
Bin "A 8 UIEISIOH-Dimsejyas Bunpiig pun YO DJ Yeydsieseg | 8861
_ 69er  M? [e1y1 }pejsjdneysapue7 | 8861|
__s2 290€ | ENWNERTEIETEISTEEENIDEIENNENNT joy "A 8 Joyousgeuy Jajaıy uISJEAISPIQ- | 8861|
| __ ige | [BI nz IeJONIN IS Spuleweßusysuy "ypn7-'A3 [ol nz jejoyIN IS Spujsweß 8861|
| 2,07 | Bingsusj '"ualeyy IS Spuleweßuaydny "yNT-Ag Bingsuajg "uoeyy IS SpuUlsweßuaysAy} "yınT-'A3 | 8861]
| __ 85867 |] zNaIy SSJOoy SEyasjnag znaıy seJoy seyosjneg | 8861]
6ZL1G znaly SOYOy SEyosInag znaıy sejoy seyasjnag | 8861|
ve | "A 8 IIS3IV Jop saywoy seyosjneg "A 8 IISJIV Jop seyWoy) sayosneg | 8861|
ET Bingsual4 "A 9 USISAZUSIQ JEUOSINEQ Bingsuaj "AS WEISAZUSIZ Jeyssjneg | 8861
| __ EeBIEr | em "nOHSATYeysIessH ssorenis sıdiinw syosineg | IBM "NS H-S AT Weuosjeseg ssoreps eldınyy syosinsq [8861
__s2 290€ . | [E14 JeNSIenUNn-SJyIeIgqIy-uensuyg 1914 JENSIENUN-SIYSSIqIY-LENSLUI | 8861|
| __ 4102 | EI ENSIENUN-SIYDSIgIY-UeNSHUI [O4 JENSIENUN-SIUSSIgIV-LENSHUI | 886]
| __ 66 | (Ol ENSIENUN-SIYOSIALY-UENSHUO 1914 TENSIENUN-SIYSSIqIV-LENSHUOI | 8861|
| BE | EI ENSIEAUN-SIYIHAIY-UENSUyO [Ol TENSIENUN-SIYSSIqIY-UeNSHUO | 8861|
BE | i usweßspagiy |, 8861|
#s4Hal ERS puadg-[Hyer]

 

° . Jyef yoeu
3

Schleswig-Holsteinischer Landtag — 14. Wahlperiode

Drucksache 14/2730

 

 

               

I Bee |... |
I Be | HOpIeW eHSpuIyag An} Persam\
__ zz | al uauIe]y wı BugjuonessenN
| __.srissez - | "A 9 yısnwwog JsBingszyey Jep BunlepigQ ınz uleloA
I __ssze0) | "A 8 puejsny wu WnyosInaq] sep In} ulalo\
| eerzı | 'A'9 ayluy Jep apunal ulalaN
| zsi682ı | SISISSY2IOSILOJUIS SOP ISLEPIQI| Pun SpUNa14 Jep UIeIOA
| _zs6B | Binquane7 BzIsH Dunyns
Br. | "A ® sgnjy-assalg Jelaıy sap Bunyns
| ___soseszı | "A 8 yeyosusssim Syosjnap alp An) Pueganıayng
BETA "A'8JeIy nz Sleygsuny staeung
| ___ OEL Z | 'A'8 YSgn7 nz wIeISANEg-INDd 18

.8g'6r1 Zı UN3 005 ajun uspueds

                                      

                       

                     

oo
oo
-

 

co
ao
©

"A 8 pueisny wi wn]yosinag sep in UlSsSA
UIS}SIOH-BIMSa]YOS In} PueqJsA0olIS) Pun -ussseyleds

[91 eb 118

Binquane WN}DOZISH SIEJY

. "A 9 sqnjy-sssauldg JaJjaly SOp ats

A "9 yeydsuassı\ SYOSINaP Sıp In) PueqlanueyNs

EIN nee meleemue [2

"A'9 Y9sgn7 nz ulalsaAneg-INad

 

oo
&o|o0
|
= |

 

         

© [09 109 |c0
SIS12|2
22]
222
4


                                            
                                                
                                                5
                                            
                                        

Schleswig-Holsteinischer Landtag — 14. Wahlperiode

Drucksache 14/2730

 

I S6'W85 79, | Ä swwuung 686,

| Be | . HOpIaW SHSPUIySg An) PeysleM „opjew eyapulyeg .ın) Nelsy.oM | 6861|

Bu 76992: , "A 8 Bingwep un "A 8 BinqueH ıun Jep| 6861.
Ta 1UISIS[SPLEYSaS 'n J49SL33S I SIN}ISUF 'PISPIQ-] zZ UleJ9A | JUIBISIEPLUEYSaS 'n Jy9S19S ') SInWSU] 'P.JISPIQ Z UlaI9 A
FT " susjebIpEIS UlaJoA \ jo4 Jpejsdneysapue]
| #69 | PEISUSM9T In pnn7 sBunf sddnißssjeay, EEITZ
| ..88eesr | “  Bunguane 'Idz1aH Bunyus Binqusne7 wun]DozieH stely |
|. 8er | "A 9 sqnjy-Sssalg Jajaly SOp Bunyus "A 3 sqnIY-9ssald Jajaly sap Bunyus

 

   

    

         

 

686
686
686
6861
6861
6861
686
6

.8E'gLO’EL
vreeo'sı . UNI 005 JS}un uopusds - UN3 005 Ja}UN USPUSCAS
- 6ELIS \ \ AS UISWIWOI JOP YIamleIzoS | - "A 8 WIEWWOA JOP YIamMIEIZOS

"A 3 yeyasuassıy Syos}nap aıp ıny Puequerssyts "A 9 yeyasusssiny Syosjnap aılp in; PueqlarayuNs

 

 

21’ Sp0°7 steJdınjesen] H-S ja }pejsIdneysapue
| 92'8EE’SL__ | HONOH JolysS ‘Wnssnwsapue seyoswulajsioH-bimssjysS | HONOH JOIYIS "wnasnwsspueT] saysstufs}sjoH-DimsalyaS
BB | PUNGJEWISH JBYOSIUISISIOH-FImsajyas SPIQJUISY9J IPEIS
I BEE | je 'YeyasjessßsjersJenlun Sydsıuls]sjoH-Bimsajyas je 'Yeydsjssaßsjensisätun SyISsIUISISIOH-BIMSSIUOS
BB | - JO Yeussjsssßsjelsienun SY9SILIBJSIOH-DiMSSIUOS jo 'Yeyasiassßsjensisäamun Syasıuls}sjoH-Bimsälyds
[eANSO] yIsnyy UISISIOH-Bimsajyas JajsunwneN IPeIS
Jsjsunuunen Jpels

 

   

  

 

gL’BEE'Sı

vs'szz ol [EANS2 4 Isny UISISIOH-Bimsajuos

BETA uSpalı] pun e1B0j04Q miny In eneDoy ja} Jpejsıdneysspue | 6861
|. veiszzol | pugjyosynag Yılqndaısepung wnqusz N 34 puejyosinsq Yılqndeısspung wunyusZ N Id

I HE | . _spIeH 'SBBRLEISQ 'n -IapnS '-IOPION apıaH sbBELEISQ 'n -1ePNS -JopıoN |6
I sro? | JoysleBupeyy JayosinappIoN Sasoy SpuUsweg

   

 

        

       

    

 

    

1° 62 19 YOsan SIyaıyossßınyny 'n -Isuny 4 wunesnyy n -]Jsuny '} winssnyy | 6861

on alan|an|mn ola|a|n
©10}C0 100 1010 |co © & 100 I00 Ic0
° 91091 SJIOID DIDI [ISIS

min = I7m/i7=1m |" I= 17 ]71=]j7

y99g07 yysıyossBunyny '
6

Drucksache 14/2730

Schleswig-Holsteinischer Landtag — 14. Wahlperiode

 

      

AIG SEP JoNay, WIOUSUENSHUI "usÖpDer " UyoH Juy

           

    

 

       

     

      

 

6ZIIS - u . 0661
6999952 Bunyns-Yooy-sueH nn pun pusßnf "Bunpiig 107 wunuejstuy | 0661
6Z'LLS usınesugeis Jap Buny9sJoj13 Anz yeyasjeseg) . uaınBsuljels Jop BunyosJopg Inz yeyasijassg | 0661

 

ayysıyossßsspue IppJou pun]| 06
"ys Jap JoIqa9) WIEP Ine Buny9sioQ Jap Bunsopigg nz sag |

ao
=

SyysıyossbsapueT IppJou pun
"us Jap Jelq99) WEP Ine Buny9s1o | sep Buniopig.inz 'sao)

eeglzeı

                 
    

 

        

    

     

               

    

      

   
     

      

 

   

     

    

  

  

| __ 208007 | 'N®HS 90039 jaty ypejsydneysapue7 | 0661|
grosse | A 3 Ponon weduaindingg umeaspıgJ| ______ _  _ ____ _____yiohonIpe1S [os6H|
BEN | sing BYISIPJION-IA BUNYNS JEp SIEAIEPIQ asıng ayssıpson-'Iq BunyNS Jap SIaIy1EP194 | 0661|
| sersegı | ula}sjoH-Bimsajyas „Nalzısnw pusßnp,, SISIY1SPI9I uls}sIoH-Bimsajyog „Halzısnw Pusßnr, stanyJopıo4 | 0661|
Eee | uls}sJoH-BIMsS[yOS „Harzısnuw Ppuaßnp,, SISI419P194 UISISIOH-BIMSSIUIS „Halzısnu Puaßng,, SIBI18P19 | 0661|
| __ Bes | joy SIENuayadıy "ynT-Ag job] stomuayoayı "yn1-13 [0661|
| 210 | Bingsusj4 "uaHeyy IS SPuUlBWeBUBySAM "yInT-Ag BingsuajJ 'uaeyy IS SpulawsBuaysny "uln-"A3 | 0661|
BB | ' 499997 'SpuIsweBwog unT-AF 493907 'spursweßwog ‘yınT-'A3 | 0661|
|. 2,007 17° PuelyosInag-uolun-ed i puelyosjnag volun-edoing | 0661|
| zU | JO}SSy9J0BLOJLIS-YSeNeg-ISUT jaly JpejsIdneysspue | 0661|
AT un an) ulo3 "A '8 Buniyen Sjelsejsqun ıny ua | 0661|

gg'ges'ı ref ar Anz 1) AAN H-S sopue7] sep unsjsiuluuanel4 ald | 0661
| ...8szz0 | Znaly sajoy SEyosnag znaIy SSJOY seyasjnag | 0661|
I... r69U | ZNaIY SEJoy seyosjnag] znaıy saJoy seyasjnag [0661]
| ve | 19 "A'8 H-S MSIq UBPIO-JaIdweNng Jeyasjnag [O4 "AS H-S PILISIG USPIQ-Jedweyng Jeyasinag | 0661|
|. 086 | Bingsua]4 "AO UISIEAZUSIH Jayasinag Bingsuaj4 "A'9 UIBIEAZUSIQ JSyasınaqg | 0661]
v6 | Eingsuaj 4 "AO UISLIEAZUEII) Jeyasjnacl . . Bingsusj4 "A'S UIEISAZUSIQ Jayosinag | 0661|
| __9ri95SZ | _ Tem "AO H-SATYeyssjessg ssorapys erdninyy eyosineg | _1e "AO H-S A1 Yeyosjesag ssorepjs aidainw ayosjnag | 0661|
BE | JaBIyONIqHUOS Bunyay nz yeyssjesag) syasinag Jeblysnsayiyas Bunyay nz yeyssjeseg) syasınag | 0661]
BETATTEEEN "A'9 spuejyosnag HOoppusßnf sayaımsuyd "A 9 spuejyssjnag Hoppusenrf sayaısuyg | 066L|

69 veg’e
gg’ceg'ı

 

 

[OIM TeNSIENUN-SIWegIy-uensuug | _ _. 14 ENSIENUN-SIUSSIGIY-LENSHUI
jo RISIOAUN-SIYESIAIY-UENSUUI - [OIM JENSIENUN-SIISIgIY-UENSHUO | 0661

  

             

  

        

 

             

      

     
         

   

TA TA . Joly JeNSIEAUN-SIYOSIAIY-UENSHUI joy JeNSIEAUN-SIYSIqIY-LeNsuyg | 0661]
TyTN [O1 JEHSIEAUN-SINHSIqIY-LENSHUI je JeNSIEAUN-SIYoSIgIy-vensuyg | 0661
0 | wWINSSNWSFEPUET SSUISIBOIORUNIY Bimsalyas Ipeis | 0661|
Be | "A 3 ÖimsatyaS seyasneg Yeyssumwensjsguy "A 8 Bimsajyog sayosjneq yeyssureweßsyegiy | 0661|
TAT "A 8 JeIy Puegliensiesy "Myeyyomajagiy "A 8 JeIN Pueglensisiy 'yeyjyomiejegıy | 0661|
STATT ja OpulwWag-uajsyuenpy | 0661|

1914 "SPUISWSEH-USISNUEAPY
7

Schleswig-Holsteinischer Landtag — 14. Wahlperiode

Drucksache 14/2730

\ 87'220’ 1 [94 "A'9 SBpunaıysuny Jop UISIOA

 

  
        

                           
       
           

swwung 0661
„opjaw eyepulyag In} Nejsiem | 0661
UISJSIOH-DIMSZIUDS In} PuUEAISNOAS) pun -u9ssey1IedS | 066}
joy Jpejsydneysapue] | 0661|

. "A 9 spuelyosInag Jeufusljeizog| 0661
"n vEHSPUIyNag JSJdojsuaipiyam pun -SBaluy Jep puequaA
"A 8 yeyasusssiy\ ayosjnap Sıp In} puegienieyng | 0661

jel4 ppejsıdneysopue | 0661|
3n3 005 Jayun uapuadslo66l.
JON09 YOLYIS "wWnasnWsapuUeT Sayosluls]sjoH-Dimsalysg | 066]

sl | ZI S8L 111
S6ErZ1 " | Hope SHapUyag AN} NEISIIOM
Z1'SP0°7 "A'8 SyUy Jep Spunal4 ulelsA

 

     

  
 

 

         

62115 "A 9 Spue[UISINag Jeuluasjelzos

'n uSHEPUIYag IEJdojsusıpiysm pun -sbally sep puequaA
| ___06'2060) | "A 9 yeyosuassiy Syosjnap alp In} Puequanieyns
| BE | 8 [EIN NZ Slleyjsuny SION LSYNS
| ___vooszer .| ” 3n3 005 Jeyun uspuads
I 0E ZB ZI | HONOD Jolyss "unssnwsapue ssysstuls)sjoH-Dimsajyss

  

 

 

     

   
   

 

 

 

 

    

 

     
        

      

                  

    

    

        

        
   

uSP ne s1497 pun Bunyos.JoJ UoA 'PIQ4 Anz Sag) Joa

| gras? |  HONEH yolyss "wnssnwsapue sSyoslulajsjoH-Bimsaluss | 40N0H Yolyas "wnasnwsapue] sayasıuts}sjoH-Bimseiysg | 0661|
| 09 zes | [a4 "yeyasijossösjensisnun SYOSIUIS}SIOH-DIMSSIUIS joIy "yeyssjosaßsjeysianlun Syosıuls}sjoH-Bimsalyuss | O66L|
BB | [a4 'yeyasjessßsjeysiangun SYISIUISISIOH-BIMSa|UOS jely yeyssjssoßsjenssanuun Syssiuts}sjoH-Bimsalyss | 0661|
| 850 | joIM Yeyosjlessßsjensisntun Syosıula}sIoH-BIMsSIyaS joy yeyosjosabsjensisnlun Syasıula}sioH-Bimsajuss | 0661]
I ge | JeANSa YISnyy UIS}SIOH-DIMSSjyaS nn [EAYSa AIsnyy UISISIOH-BIMSS}UOS | 0661|
| ___r8looe2 | yeyssjssag-syuey yeyssjossg-ayueN | 0661|
gez | _ uaßemyzieion] [OD pejsıdneysspue7 [0661|
AT T . JajsunwneN "X ‘8 dieypioN - Jojsununon "A 8 dieupson | 0661|
vr | . epleH BBBRIEISO 'N -JIEPNS.‘-ISPION Spion "SbBSLRSQ 'n -ıSPNS '-IOPION | 0661|
rosa 7 3osar 7 SiuppssBinny nsuny yümesny| — —_ _ _ _______ yoegmmapeis [o66H|
| Be | HS yeyasjessg-Ineray] joly Jpejsdneysapue | 0661|
| zes - UISISIOH-FIMSSLYOS pueqlarAınynysspueT] \ Bimsalyss Ipeıs | 0661|
Bi A» "A 9 uaıynwan7] 0661
usjynwan ulsleayley pun -Iyonzepıajq/ÄlIngieH sieıysspue ul2J3N}I9Y Pun -Jyonzap.lejd/BingieH steıysspue] [066%

| 6 | UISISIOH-BIMSFIUOS SSpLIET sap Bunyns.ınyny Inyıny 'n BunyosıoJ 'yeyssusssim ‘Bunpiig winuajsıuy | 0661
| 8gigesı | 066, WnIOUnNNY jaly }pejsjdneysapue7 | 0661|
TAT ENWIERLNERETEEEN] je“ A’e qnıy-asseug Jojaıy | 0661|
win yosyamıın sap uajslgeg) "yosyamuın sep usjeiqag| 0661
up Ine S1y97 pun Buny9s1oJ UoA 'PIQ INZ 'SeH) Jojaly 9991
8

8
Qi
SF
-
o
c .
8 „
2 .
© | BG 3 | \ "A 8 H-S Jeyisnwsopue] Bingsual1 Jpeıs |
2 I za | UISJSIOH-BIMSaIYOS PueqlsäinynysapueT Bingspuay JpelS
a wir | SPIQJUIEY9ZF-Bingspuay sisıy Bunynsınyıny SpIgguLIeyoI-Dingspuay sıaıy | 1661|
© __ ges | ‚yeyosjeseg "odınyny jaly Jpejsjdneysapue]
.3 |__ Bette | A 8 SjıH-Dregsbiugy A 8 Syın-Bregsblugy
< | 65 | BUunyNS-NO0Y-SsUeH ınyıny 'n Bunyasso] 'yeyosusssim Bunpiig wunuejsium\ | 1661|
8 | weiszeol | Bunyns-990y-sueH Anıny n Bunyos10o4 "yeyosusssyy, "Bunpiig wnhersiuN | 166
5 Be | ınınsuj sayosıydesbossy jo TeNsIsAun-swosL1gy-uensuyg | 1661
= | 2,8002 | 'A'8 H-S N0039 “ em Jpeisıdneysapue7 | 1661
< eg | "A 2 yeyosjossg-ujg}s-WwoA-Neylelg "A 3 yeyssjassg-ureajg-won-Leylelg | 1661
- | Do EeHUZTI 3 | ja "A 3 Joydusgeuy Jejaly| UISIBAIEPIQI jan "A 3 Joyousgeuy Jsjaly U1EAIEPIQ | 1661]
5 ge | "A 3 sunssnumonig UeyoSInappIoN Sep SIaNLEPIQJ Bingspuay }pelS | 1661|
S -[_srigssz | [Ol ASV SIEMNOPIQ jaiy Ipejsıdneysapue] ] 1661]
= zz | yOSqn steryuauoaıy "A yosqn stesyuayoııy 13 | 1661]
8 BB | Bingsugt-j SIEIyUayONy "AI Bingsuaj 4 stasyuaysaıy ‘AI | 1661|
5 | 21002 | ri } F ou H-S sapue7 sap uNeJstumWusnel alg | 1661|
5 I Bszzot - | [911 H-S Yeyasesag aydsısgzueı4-yosineg j9IM H-S yeyosyosag) Syasıspgzue1g-yosjnag | L66L]
2 Bes | "NO H-S AT znaIy sajoy seyosinag NS H-S A1 znaıy sajoy seyasjnag | 1661|
S ERTATTN EWEISTINEENESSEESIE joy "A 3 Joy A znaıy sejoy seyosjneg | 1661|
» | 88zz0 | znaıy sajoy sayosmaq znaıy sa}oy sayosjneg.| 1661]
2 TI TE Bingsusj] "AS UIEIEAZUSIQ JByosinag Bingsua]g "A 9 UISIEAZURI9 Jayosjnag | 1661]
Ö | BES | TEN "NSH-S AT NEeyoSIjeES89 ssorag aıdıyinyy ayssineq | je "AO H-S AT Yeyosjeseg ssoraps aıdııny suosineg | 1661]
3 | __9rigsee | [O4 ENSIENUN-SIYISIAIV-VENSUUI a EISIEANUN-SIUISIgIy-uensuug | 1661|
8 gH'95g°Z 1914 EIISIEAUN-SIUOSJIAY-UENSHYUO [9 JeNSIEAUN-SIUDSIqIV-LENSUYI &
5
a : .
Bi 1914 JENSIEAUN-SIYISIAIY-LENSUUD IOIM JeNSIEAUN-SIUISIgIV-UeNSUUI ee
66'Zv8 [O1 JENSIENUN-SINISIAIY-VENSUUO 1a TENSIEAUN-SIYSSIqIV-VeNSHUI | L66L|
TATEN 1214 ENSIEAUN-SIUOSIAIV-VENSHUI 1914 JeNSIEAUN-SIUISIqIV-LENSUUO | V66L|
| D39O EZ | ja "UISISIOH-Dimsalyag 1m) Puegiensenieg . jo USISIOH-Dimsejyag ın} PuegqsenseneQ | L66L|
” | __ grey | "8 H-S AI Pung-Ispewes-seyegiy "N® H-S A] PUNg-ISteweg-ioyagsy | 1661]
BE | USBUNGAH 'A 'O 'SOS) SIEIZOSIEIDY "USbUNEH A 9 se) JIeizosiesby | }661|
| wisst | [al JpeIS Jop wngianf 'F 78 jai peisıdneysapue] | V661|
TATEN ENEIETIN EEE [eis pejsjdneysepue7 | 1661|
9

Os TOT,
HOpION SHSPUyag 40} NEISMJOM
"A 8 qnı9g-jeßas JopunweulenA
9904504 JOJESUISYJOA
"A 9 awlaypuelnyss Jayss}nap puequaA

__ 2606
| 8870)
BEE
BEREITEN
| SS
| GES
| reset |
| __ 61550,
| Sr
| BE |
| useesı |
GE |
| west |
ee, |
sg |
west |
| mess? |
| ve

Hopjeyy sepuIyog In} NeIsyloM
"A ‘8 qNI9-I963S Jepunweulem

   

     

Y00)S0Y JsYesysyjoA

"A 9 SWISypuEINYIS JSyosInep pueguo\
AS WIOysWg yosuswsßlsjeeu., ei Base

"A 9 sqnıy-assaid Jajaıy sop Bunyns

„05907 „NoMPUEH J2y0840 7. BunynS

"A © yeyosusssiM eyosjnap Sıp in} PueqJeAlsyNS

un3 005 Jajun uspueds|L
"A 3 WEWWOI Jop Ylemjelzos
0109 YJOly9S "WNasnLUSaPUET SSyosIUIS]SIOH-DIMSEIUOS
wnSSsnUNyolNS14 SSyDstUIE}SIoH-Dimsejuss

 

 

  

 

     

"A 9 SINIY-ossalg JOlaly SOp BunynSs
393907 '2UEMPUEH J8499qN7, Bunyns
"A 9 yey9sUassıAA SYOSINSP SIp ın) PUEALAALOYNS
4N3 005 Jejun uopueds
"A 3 WOWWOI JOP YUaMIEIZOS
110n0 JolyaS "wnasnwsapue] SEyosiuls}sjioH-Bimsaly9S
wınasnunyysNleig SSy9stuelsjoH-Bimsaly49S

ZA AO "PUngrewisH JEyssIule}sIoH-Bimselyoss z821d Ipeıs

jeIM Yeyasjesaßsjeysisäun SyastulsIsioH-Bimsajyos

     

Schleswig-Holsteinischer Landtag — 14. Wahlperiode

 

oo «ie-lo-
[51515 slalal21
EI 2 ©
Im] EIEIEIEN

  

-
2lg
©
=

 

    

  

[O1 YEeyasjsssösjeysisätun Syastula}sjoH-BImsalyaS
Jeyv Jomojweg Bunisune}say

  

jaly} Ipe}sydneysapue

"A 3 apIsH ulesennequalung SplaH IpeIS est
"A 8 uIeJaAneqwiog Jepopjan tl. HOPIOW IPEIS est

-
alaja 3
2 2

 

 

        

 

Drucksache 14/2730

jaIy "A 8 uIeIsIOH-Dimsejyas puegisnnodssspue |: jo "A 3 USISIOH-Dimsejyag Puegisnnodssapue]

10
10

Zur nächsten Seite