VkBl Nr. 11 1974

Verkehrsblatt Nr. 11 1974

/ 36
PDF herunterladen
VkBl Amtlicher Teil                                     347                                               Heft 11 — 1974


                                                    Untersudiungsverzeidinis                                     Anlage 2


 Unter-                                              Unter                       Untersuchung
                                                                   Lichtbilder
sudiungs-            Untersuchung                   suchende           (Li).     i. Zusammen
 umfang                                               Stelle       Aufbewahrg.      hang mit            Bemerkungen
                                                                  V. Proben (Fr) Untersuchung
                                                                                     Nr.
A   B        Nr.                                    E   F     z

             4                     5                6   7     8        9             10                     11


            4.1.4     Korrosion an den einbeto      •                  Li
                      nierten Stahlflächen?                                                      Als Folge von Wasser-
                                                                                                 und Lufteinwirkung
            4.1.5      Kunststoff- u. Gummiteile:                                                nadi dem Betonieren
                      undicht, rissig?              •
                      versprödet?                           •

                     Bei Gliedplattenübergängen
            4.1.6     Klemmen der Gelenke?          #
            4.1.7      Verschleiß der Nocken        •                  Li
                       und Gleitflädien?

            4.1.8     Zustand der Zungenspitze      •                                            Aufmaß

            4.2      Lager.
                                                                                                 Lager erst vernichten
                     Allgemein:                                                                  oder anderweitig ver
            4.2.1     Zugänglichkeit,               •                                            wenden, wenn Unter
                       Unterhaltbarkeit                                                          suchung abgeschlossen
                                                                                                 ist.
            4.2.2      Lagerstellung                •

            4.2.3

            4.2.4
                       Auflagerdruck
                      Zustand. Schäden?
                                                    •

                                                                       Li
                                                                                                {Nur besonders
                                                                                                 ausgezeichnete Lager
                       Lagerwegbehinderung?
            4.2.5      Vollständigkeit der          •                  U
                       Unterfüllung
                                                                                                 Auch eventuelles
            4.2.6      Druckfestigkeit des              •-                                       Fehlen des Kontaktes
                       Uriterfüllmörtels                                                         zwischen Lagerunter
                     Bei Stahllagem (schadhafte                                                  fläche und Unter
                     und repräsentative unbeschä                                                 füllungsoberfläche
                     digte zum Vergleich):
            4.2.7      Härte und E-Modul von            ••
                       Platten und Rollen im
                       überrollten und nicht
                       überrollten Bereich auf
                       der Oberfläche,
                       Härte in der Tiefe

            4.2.8      Schliffbilder                    ••
            4.2.9      Widerstandsbeiwerte für          ••
                       rollende Reibung

                     Bei Elastomer-Lagem:
            4.2.10     Bleibende Verformung             ••
            4.2.11     E-Modul, G-Modul                 ••

                     Bei Kunststoff-Gleitlagern
            4.2.12     Beiwert für gleitende            m •
                       Reibung

                     Bei Burckhardt-Lagem
            4.2.13     Spalt zwischen Beton             #•
                       und Stahl?
            4.2.14     Beiwert für rollende             ••
                       Reibung,
            4.2.15     Bruchlast                            •

            4.3      Entwässerung
            4.3.1      Zugänglichkeit,              •                                            Auch bez. Betätigungs
                       Unterhaltbarkeit,                                                         möglichkeit der
                                                                                                 beweglichen Teile
                       Funktionsfähigkeit           m                  Li                        Bezüglich Leistung
31

Heft 11 — 1974                                            348                              VkBl Amtlicher Teil


                                                       Uiltersudiungsverzeidinis                               Anlage 2


 Unter-                                                 Unter
                                                                    Lichtbilder  Untersuchung
sudiungs-              Untersuchung                    suchende        (Li).     i. Zusammen
 umfang                                                 Stelle     Aufbewahrg.      hang mit        Bemerkungen
                                                                  V. Proben (Pr) Untersuchung
                                                                                     Nr.
   B         Nr.

                                                                                     10                   11



            4.3.2       Zustand der Rohre:
                        Dichtigkeit der Rohre
                        Bituminöse Auskleidung                       Li, Pr                      Proben konservieren
                        noch rundum vorhanden
                        und gleichmäßig dick?

                        Verzinkung noch in
                        Ordnung?
                        Zementauskleidung
                        unterrostet?
                        Gußeiserne Rohre: Zustand
                        der Innenflächen

                        Kunststoff- und Asbest
                        zementrohre: Rissigkeit?
                        Versprödung?

            4.3.3       Zustand der Stöße


                        Dichtigkeit

                        Versprödung der                                                          Härterdiffusion?
                        Weichdichtungen?                                                         UV-Einfluß?


            4.4       Geländer


            4.4.1       Korrosion der Hohlprofile

            4.4.2       Korrosion und Schäden am
                        Seil im Handlauf




            (D      Beton

                    Wenn im Folgenden keine
                    besonderen Angaben, Unter
                    suchung an repräsentativen
                    Stellen:

                      Uberbau: Fahrbahnplatte, Stege
                      oben und unten, Querträger,
                      Bodenplatte
                      Unterbau: Pfeiler, Widerlager,
                      Fundamente


            5.1      Kornart, Kornverteilung                                                     Entmischung?
                     (auch im Bereich dichter
                     Bewehrung)

            5.2       Zementgehalt

            5.3       Dichte (spezifisches Gewicht)

            5.4       Porösität, Lunker (An den                                 5.6; 5.7; 5.8;
                      Oberflächen, Außenflächen, fn                             6.1; 7.2
                      Stahlnähe, unter Stahl, hinter
                      Verankerungen und im „Besen
                      bereich" von Spanngliedern,
                      an Arbeitsfugen)

            5.5       Luftporengehalt (In den ober
                      flächennahen Zonen)

            5.6       Wasserundurchlässigkeit,                                  5.4; 5.7; 5.8;   Eindringtiefe z. B.
32

VkBl Amtlicher Teil                                              349                                          Heft 11 — 1974


                                                              Untersudiungsverzeidinis                                Anlage 2


 Unter-                                                        Unter                    Untersuchung
                                                                          Lichtbilder
sudiungs-              Untersuchung                           suchende       (Li),       i. Zusammen
 umfang                                                        Stelle    Aufbewahrg.      hang mit          Bemerkungen
                                                                         V. Proben (Fr) Untersuchung
                                                                                                Nr.
AB     C     Nr.                                              EIF
   2   3                                                      6I7I8                             10               11


            5.7       Karbonatisierung                                                                   Oberflächenschichten
                                                                                                         außen in Hohlräumen,
            5.8       Chloridgehalt .                                                    3; 5.4; 5.10;   unter Abdichtungen
                                                                                         5.11; 5.13;     und in erdbeführten
                                                                                         6.1             Bereichen;
                                                                                         5.6; 5.11;      ferner in den Nachbar
            5.9       Sonstiges: Betonzusatzmittel,                                                      bereichen von Riß
                      Alkalireaktivität
                                                                                         5.13; 6.1
                                                                                                         ufern. Die Schichten
            5.10      Beton auf Druck (an ausge                                                          durchweg in kleinen
                      wählten typischen Stellen):                                                        Abständen der Tiefe
                                                                                                         nach gestuft, ferner
            5.10.1      Arbeitslinie bis zur Druck                                                       in Bewehrungsnähe.
                        festigkeit, Vergleich mit
                        Woo, zu errechnen aus den
                         Annahmen der statischen
                        Berechnung und Wjß der
                        seinerzeitigen Probe-Würfel
            5.10.2          bei Erst- und Wieder                                                         Stahleinschlüsse in
                         holungsbelastung im Bereich                                                     den Proben ver
                        der Gebrauchsspannungen                                                          meiden!

            5.10.3      Ejj -Änderung im Bereich vor                                     5.7; 5.8
                        Fremdeinflüssen

            5.11      Beton auf Zug, Biegezug und
                      Spaltzug (an ausgewählten
                      typischen Stellen):
            5.11.1      Optische Untersuchung auf                                        5.12
                         Risse im Bereich von hohen
                        Zug- und (Querkraft- und
                        Torsions-) Schubspannungen
            5.11.2      Eh^„_
                         D zug
                               bei Erst-     u.   Im Be
                        Wiederholungs             reich von
                        belastung                 Ge-
                                                  brauchs-
                                                  span-                                  5.7; 5.8
            5.11.3         zug'                   nungen
                         Ände       Im Be
                         rung       reich V.
            5.11.4      Zug         Fremd-
                        festig      einfl.
                         keit

            5.12       Spannungsmessung im Zug-                                          5.11.1          Längenmessung vor
                       und Druckbereich, Vergleich                                                       und nach dem Heraus
                       mit Sollwert                                                                      schneiden

            5.13       Rißform im Einzelnen;                                             5.11
                       Rißuntersuchung in die Tiefe
                       nach Alter, Rißufer und
                       Rißfüllung
            5.14       Arbeitsfugen:                                                     5.4

            5.14.1       Aussehen

            5.14.2       Zugfestigkeit
            5.15       Einpreßmörtel:
            5.15.1       Karbonatisierung, Chloride                                      6.1; 6.2.1;
                                                                                         6.5; 7.3
            5.15.2       Sonstige Analysen


            ®        Betonstahl, Spannstahl, Hüllrohr

            6.1        Korrosion, Korrosionsgrad                                         3; 5.2; 5.4;
                      (an besonderen Stellen, auch                                       5.7; 5.8;
                      über das ganze Bauwerk ver-                                         5.13; 6.2.2;
33

Heft 11 — 1974                                             350                                 VkBl Amtlicher Teil


                                                        Untersudiungsverzeidinis                                Anlage 2


 Unter-                                                  Unter
                                                                     Lichtbilder  Untersuchung
suchungs-              Untersuchung                     suchende
                                                                        (Li).     i. Zusammen
 umfang                                                  Stelle     Aufbewahrg..     hang mit         Bemerkungen
                                                                   V. Proben (Fr) Untersuchung
                                                                                         Nr.
   B         Nr.

                                                                                         10                11


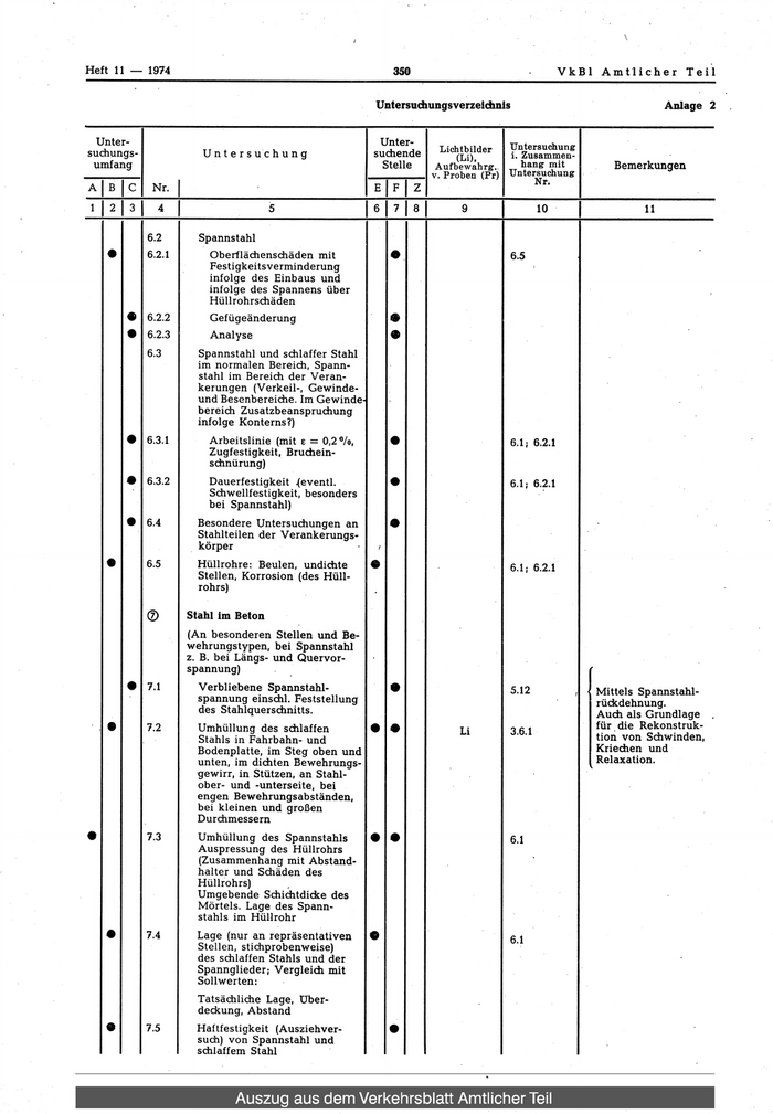
            6.2       Spannstahl
            6.2.1       Oberflächenschäden mit                                   6.5
                        Festigkeitsverminderung
                        infolge des Einbaus und
                        infolge des Spannens über
                        Hüllrohrschäden
            6.2.2       Gefügeänderung
            6.2.3       Analyse
            6.3       Spannstahl und schlaffer Stahl
                      im normalen Bereich, Spann
                      stahl im Bereich der Veran
                      kerungen (Verkeil-, Gewinde-
                      und Besenbereiche. Im Gewinde
                      bereich Zusatzbeanspruchung
                      infolge Konterns?)
            6.3.1       Arbeitslinie (mit e = 0,2 Vo,                            6.1; 6.2.1
                        Zugfestigkeit, Bruchein
                        schnürung)
            6.3.2       Dauerfestigkeit ^eventl.                                 6.1; 6.2.1
                        Schwellfestigkeit, besonders
                        bei Spannstahl)
            6.4       Besondere Untersuchungen an
                      Stahlteilen der Verankerungs
                      körper
            6.5       Hüllrohre: Beulen, undichte                                6.1; 6.2.1
                      Stellen, Korrosion (des Hüll
                      rohrs)

                    Stahl im Beton

                    (An besonderen Stellen und Be
                    wehrungstypen, bei Spannstahl
                    z. B. bei Längs- und Quervor
                    spannung)
            7.1       Verbliebene Spannstahl                                     5.12              Mittels Spannstahl-
                      spannung einschl. Feststellung                                               rückdehnung.
                      des Stahlquerschnitts.                                                       Auch als Grundlage
            7.2       Umhüllung des schlaffen                                                      für die Rekonstruk
                                                                        Li       3.6.1
                      Stahls in Fahrbahn- und                                                      tion von Schwinden,
                      Bodenplatte, im Steg oben und                                                Kriechen und
                      unten, im dichten Bewehrungs-                                                Relaxation.
                     ^ewirr, in Stützen, an Stahl
                     ober- und -Unterseite, bei
                     engen Bewehrungsabstanden,
                     bei kleinen und großen
                      Durchmessern

            7.3      Umhüllung des Spannstahls                                   6.1
                     Auspressung des Hüllrohrs
                     (Zusammenhang mit Abstand
                      halter und Schäden des
                      Hüllrohrs)
                      Umgebende Schichtdicke des
                      Mörtels. Lage des Spann
                      stahls im Hüllrohr

            7.4       Lage (nur an repräsentativen                               6.1
                      Stellen, stichprobenweise)
                      des schlaffen Stahls und der
                      Spannglieder; Vergleich mit
                      Sollwerten:

                      Tatsächliche Lage, Über
                      deckung, Abstand
34

VkBl Amtlicher Teil                                         351                                         Heft 11 — 1974



                                                         Untersiidiungsverzeidinis                              Anlage 2


 Unter-                                                   Unter                    Untersuchung
                                                                     Lichtbilder
sudiungs-              U n tersuchung                    suchende        (Li).     i. Zusammen
 umfang                                                   Stelle     Aufbewahrg.      hang mit       Bemerkungen
                                                                    V. Proben (Fr) Untersuchung
                                                                                         Nr.
   B        Nr.

                                                                                         10                11


            7.6        Hakentraglast von Besenhaken                                                Ausziehversuch
                       und Haken von schlaffem
                       Stahl.
                       Ist Ausziehwirkung im
                       Gebrauch erkennbar?

            7.7        Verhalten von Dnickbeweh-
                       rung (Ausknicktendenz?)

            (D       An Verbundbrüdcen
                     zusätzlich:

            8.1        Beton in Dübelnähe:
                       Dichte, Betoniermängel (Gleich'
                       mäßigkeit im Betonaufbau im
                       Vergleich zum übrigen Beton;
                       Lunker),
                       Eiiidrüdcung, sonstige Verfor
                       mung

            8.2        Bei Bolzendübel ohne Kopf:
                       Bewegung zwischen Dübel und
                       Beton erkennbar?
                       Abziehkraft.

            8.3        Verbiegung der Bolzendübel
                       erkennbar?

            8.4        Korrc)sion auf den dem Beton
                       zugewandten Stahlflächen?
            8.5        Verbliebene Druckspannung                                     5.10; 5.11    Mittels Rückgängig
                       im Beton                                                      u: E-Stahl-   machen der Längen
                                                                                     träger        änderung von be
                                                                                                   stimmten Stahlfasern
            8.6        Prüfen des Bolzendübel
                                                                                                   nach dem Ausbau
                       anschlusses nach dem DVS-
                       Merkblatt 0905


            ®        Fugen in den Unterbauten
            9.1        Härterdiffusion bei unmittel
                       bar benachbarter Lage von
                       weicheingestellten Kunst
                       stoffen einerseits und hart
                       eingestellten Kunststoffen
                       oder bituminösen Stoffen an
                       dererseits mit und ohne Vor
                       handensein einer Trennschicht

            9.2        Eindringen von Feuchtigkeit
                       auf der Luft- und Erdseite:
                       Eindringtiefe, Folgeschäden
                       Ursachen für das Eindringen

                     Torsionssteifigkeit

                     Grenztragfähigkeit                                                            Nur in Sonderfällen
                     (von kleinen Bauwerken
                     oder Bauteilen)

                     Hinterfüllung
                     Möglichst vollstänciige boden-
                     medianische Zustahds-
                     beschreibung.
                     Veränderungen gegenüber dem
                     vermuteten Einbauzustand.




(VkBl 1974 S. 343)
35

Heft 11 — 1974                                352                            VkBl Amtlicher Teil




                    Personalnachrichten

                 Nr. 252     Personalnachriditen
                                   Bonn-Bad Godesberg, den 28. Mai 1974
                                   Z 1/04.03.01—10a
                                 Bundesverkehrsministerium
                   Ernannt
                 zum Staatssekretär
                 der Senator a. D.
                 Heinz R u h n a u ;
                 zum Ministerialrat
                 die Regierungsbaudirektoren
                 Dipl.-Ing. Josef R o s e r ,
                 Dipl.-Ing. Friedrich Schnapauff;
                   In den einstweiligen Ruhestand wurde versetzt
                 Staatssekretär Karl W i 11 r o c k.

                                            Der Bundesminister für Verkehr
                                                       Im Auftrag
                                                       Dr. N a u
                 (VkBl 1974 S. 352)
36