status-1989-1990-geschwaerzt

This document is part of the request ”Belastungskataloge Kernkraftwerk Neckarwestheim”.

/ 138
PDF herunterladen
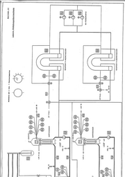
Beilage 11

                              GKN-II


        Meßstellenzur Überwachungder Beanspruchungim Bereich
        8.) Rekuperativ-Wärmetauscher
                                    - Rohrboden
                                           - Einspeiseaustrittstutzen




        Betriebs-             Meßstellenbezeichnung
        instrument.
        KBA   41 cT   002     Eintritts-Temp.Einspeisung
        KBA   11 cT   O001A                Einspeisung
                              Austrittstemp.
„mem,




        KBA       001A
              12 cT                    ”
        JEC   30 cT
                  002         Eintrittstemp.
                                           Entnahme
        KBA   11 cT
                  002A        Austrittstemp.
                                           Entnahme
        KBA   12 cT
                  002A                 "
        JEC       871A
              30 cP           Kühlmitteldruck
        KBA       002
              41 cp           Druck Einspeisung
        JEC 10 cp 851A        Druck Entnahme
        KBA al cr 001A        Einspeisedurchsatz
        KBA 11 cr 731A        Entnahmedurchsatz
        KBA 12 cr 731A                 "




                              Meßstellenbezeichnung
mann,

         lokale
         Instrument.
        JYL 13 CT 151         Tenp.Einspeiseaustrittsstutzen
                                                          oben
                 CT 152                                    unten
        JYL   14 CT 161                "                   oben
                 CT 162                "                   unten
31

Beilage 12
                       GKN
                             II
Meßstellenzur Überwachungder Beanspruchungim Bereich
        9.) DE - Speisewasserstutzen



    Betriebs-                Meßstellenbezeichnung
    instrument.
    LAB    60   cT 002       Speisewassertemperatur
    LAB    70   cT 002
    LAB    80   cT 002                "
    LAB    90   CT 002                "
    JEA    10   cp   851A    Frischdanpfdruck
    JEA    20   cp   861A
    JEA    30   cp   851A             n
    JEA    40   cp   861A             u
    LAB    60 FF     001A    Speisewasserdurchsatz
    LAB    70 FF     001A             n
    LAB    80 FF     001A             "
    LAB s0    FF     001A             "
    JEA 10    CL     861A    DE-Füllstand
    JEA 20    CL     851A             "
    JEA 30    CL     861A             "
    JEA    40 CL     871A             Li

    LBA    10 cT     001     Frischdampftenperatur
    LBA    20 cT     001
    LBA    30 cT     001              "
    LBA    40 cT     001              "
          Systemschaltplan:JEA, JEC,        LAB, LBA



    lokale                   Meßstellenbezeichnung
    Instrument.
    JYL 40 cT        111     7 Temperaturfühler
                                              am
           cT        117     DE  Speisewasserstutzen
    JYL 41 cT        121          -   “
        42 cT        127
    JYL    cT        131              "
         = cT        137
    JYL 23 cT        141              "
           cT        149
32

Beilage
                                                                                                                                                                                                                            Meßebene
                                                                                                                                                                                                                                                                                                                                                                                                                   13
                                                                                                                                                                                                                                                       rmoelenmen
                                                                                                                                                                                                                                               m
                                                                                                                                                                                                                                                   7
                                                                                                                                                                                                                                                                                                                                                  Ermüdungsüberwachun
                                                                                                                                                                                                                                                                                                                                         lokale




                                                                                                                                                                                                                                                                                       s
                                                                                                                                                                                                                                                                     Y
                                               IEG          16

                                             829)           Qui:                                                LBA3O

                                               BB      801



                                                                                                                                           u00                                         Bun
                                                                                                                                                       7         4             a              8)
                                                                                                                                                                     Ar}
                                                                                                                                                                           ‚       ’
                                                                                              ta     9                                                                                                  <—LAB
                                                                                                                                                                                                                      80
                                                                                              Bc   801


                                                    LAR            31—>
                                                                                                                                                                                              an




                                                                                                                                                           us   6)         a           u
                                                                                                                                                                               ’                                                                                            2)   961


                                                                                                                                                                                                                                                                                                                            us

                                                                                                                                                                                                                                                                                                                          u)        st
                                                                                                                                                                                                                                                                                                                            K      wi
                          JNA_
                                                                                                                      DAMPFERZEUGER
                                        32                                                                                                                                                   JEF   10
                                                                                                                                                                                                         &-
                                                                                                                                                                                                                                                                           U)    Ki



                  num



      ana                                             s2 100
             3
                                                                                       LOOP
                                                                                                                                                                                                                                                                                                                                                                                                       Ba     31

                                                                                                                                                                                                                                                                                                                                                                                                      um
            US              UMS   D64
                                                                               KBA
                                                                                                          3                                                                                                                                                                                                                                                                                                   u)
                                                                                                                                                                                                                                                                                                                                                                                                             001
                                                                                      12                                                                                                                                                                                                                                                                                                              “>
                  ii                                                                                                                   a»
|                                                    [see]                           V                                                WS



                                                                                                                                      „>
                                                                                                                                                  ib
                                                                                                                                                 mi
                                                                                                                                                                                                                                                                                             REKUPERATIV-WAERMETAUSCHER




                                                                                                                                                                                                                                                                                                                                                                                                       KBA    7Z

                                                                                                                                                                                                                                                                                                                                                                                                     un       mi
                                                                                                                       LBALQ
                                                                                                                                                                                                                                                                                                                                                                                                      ar 1



                                                                                                                                           m)

                                                                                              JEA                                                                                                                                                                                                                                                                                                     gs     3)
                                                                                                     «9
                                                                                                                                                                                                                                                                                                                                                                                                     uns


                                                                                                    991
                                                                                                                                                                                                                LAB
                                                                                              BC                                                                                                                       90                                                                                                                                                                            ar ot
                                                                                                                                                                                                        <-
                                                    LARLI
                                                                          —>                                                                                                                 Be
                                                                                                                                                                                                                                                                                                                                                                        HO-FOERDERPUMPEN




                                                                                                              DAMPFERZEUGER




}
                                                                                                                                                                                                                                                                     18)
                                                                                                                                                                                                                                                                           1
                                                                                                                                                                                                                                                                                                                           zuA
                                                                                                                                                                                                                                                                                                                                    z
                                                                                                                                                                                                                                                                                                                          uni

                                                                                                                                                                                                                                                                                                                           Bc001




                                                                                                                                                                                                                                       JEF10




            Nr)
                                                                                       LOOP

                                                                                                                                                                                                                                                                           061
                                                                                                          4                                                                                                                                                         Br
                                                    =                          KBA
                  NUCy,
    ray                                                                               12                                               JEB        &O

                                                                                                                                      ums         an
]                                                                                    V                                                 upai

                                                    bs                               Äh
                                                                                                                                                                                                                                                                                           REKUPERATIV-WAERMETAUSCHER
33

JOH                     30°
                                                                                                                                                                                                                                                                JDH
                                                                                                                                                                                                                                                                               10
                                                                                                                                                                                                                                                                                                          sa           10


                                                                                                                                                                                                                                                                                                                                                 m
                                                                                                                                                                                                                                                                                                                                                wu                           wir        45                a1)   845
                                                                                                                                                                                                                                                                                                                                                                                                                                                    IEF        10
                                                                                                                                                                                                                                                                   ’&
                                                                                                                                                                                                                                                                                            u

                                                                                                                                                                                                                                                                                                                                                                                                                                              JDH
                                                                                                                                                                                                                                                                                                                                                                                                                                                               40
                                                                                                                                                                                                                  jer       19                                                                                                                                                                                                                                                           3er        18
                                                                                                                                                                                                             B3208                                                                                                                                                                                                                                                                     USE          SiS
                                                                                                                                                                                                                            5                                                                                                                                                                                                                                                                     237
                                                                                                                                                                                                               aa       131                                                                                                                                                                                                                                                             aa

                                                                                                                                                                                                                                                  u
                                                                                                                                                                                                                                                                               BI)          Mi                         85
                                                                                                                                                                                                                                                            2)                                            u                                                                                                                                                           ser         18
                                                                                                                                                                                                                                   JEF        10                                                                                                                                                                                                                    WIE


                                                                                                                                                                                                                                              645
                                                                                                                                                                                                                                                                                                                                                                                                                                                                                  5
                                                                                                                                                                                                                                  va                                                                                                                                                                                                                                 a4     233


                                                                                                                                                                                                                                  aa        230




                                                                                                                                                                                                                                       10


                                                                                                                                                                                                                                                                    805                             uam
                                                                                                                                                                                                                                                                                                           ai
                                                                                                                                                                                                                                                                                                                                                                                                                                                                                                                                                                                                                      es             10

                                                                                                                                    LBA2ZO                                                                                                                                                                                                                                                                                                                                                                                                                                                                          E03
                                                                                                                                                                                                       (M111                                                                                                                                                                                                                                                                JEF                                                                                                                                                      Mi                                            —>LBA3
                                                                                                                                                       £&—                     M110)                                                                                                                                                                                                                                                                                                         16
                                                                                                                                                                                                                                                                                                                                                                                                                                                                                                                                                                                                                               801
                                                                                                                                                                                                                                                                                                                                                                                                                                                                                                                                                                                                                     ar
                                                                                 Ä                                      n                                                                                                                                                             ums         “us
                            032                                        ass       ez                          we         @iz                                                                                                                                Is    us
                 Wi                           zu        07                                                                                                                                                                                                                                                                                                     Jer
                                                        ‘                                                                                                                                                                                                                                                                                                             18



                                                                                                                                                                                                                                                                                                                                                               so
                                                                                                                                                                                                                                            ser     19
                                                                                                                                                             Ka    76
                                                                                                                                                                                                                                                                                                                                                                                                                                                                                                                                                                                                                                                                  Ka      %
                                                                                                                                                                                                                                                                                                                                                      ORDER-
LAB7O—>
                                                                                                                                                                                                            Bus
                                                                                                                                                                                                                         er
                                                                                                                                                             sc ws
                                                                                                                                                                                                                                                                                                                                                                                                                                                                                                                                                                                                                                                                  Bc    801

                                                                                                                                                                                       LAR21
                                                                                                                                                                                                                                                                                                                                  NN                  HALTER                                                                                                                                                                                                                                                              LAR
               [er008]                                                                                                                                                     <-                                                                                                                                                                                                                                                                                                                                                                                                                                                             31
                                                                                                                                                                                                                                                                 B305
                                                                                                                                                                                                            sus          an                                               05
                                                                                                                                                                                                                                                                                                a
                                                                                                                                                                                                                                                                                             [var 01}
                                            4                        k                                  4
                                  wann      032                      812              ung                   au
                                                             au



                                                                                                                                                                                                                                                                                Ras




                                                                                            DAMPFERZEUGER



                                                                                                                                                                                                                                                                                                                                    JNA
                                                                                                                                                                                                                                                                                                                                                     22
                                                                                                                                                                                                                                                                                                                                                                                                                                                                                                                                                                                                 JNA_
                                                                                                                                                                                                            au              m                                                                                                                                                                                                                                                                                                                                                                                  32                                                                             DAMP
                                                                                                                                                                                                                                                                                            u


                                                                                                                                                                                                                                                                               sus          au
                                                                                                                                                                                                             au             er




                                                                                                                                                                                                                                                                                                          91                  zus         001                                            aus       935                                                                                                                      US     Bi6                                                     las
                                                                                                                                                                                                                                                                                                  1                                                                                                                                                                                                                                         US         SE
                                                                                                                                                                                                                                                                                                                                                                                                                                                                                                                                                            Yy                                   si
                                                                                                                                                                                                                                                                                                                                                                                                                                                                                                                                                                      na         31

                                                                                                                                                                                                                                                                                                                                                                     an    005
                                                                                                                                                              LOOP                                                                                                                                                                                                                                                                                                                                                                                                                                                                                         LOOP
                                                                                                                                                                         20                                                                                                                                                                                                                                                                                                                                                                                                                                                                                                   30
                                                                                                                                                                                                                                            u                                    aus          81)              a5           013                                             Bu         03}               sus
                                                                                                                                                                                                                                                                                                                                                                                                                u)                                                                                              sun
                                                                                                                                                                                                                                                                                                                                                                                                                                                                                                                                    BIRES
                                                                                                                                                                                                                                                                                                                                                                                                                                                                                                                                            46                              Bi05                   B05   366
                                                                                                                                                                                                                                                                                                                                                                                                                                                                                                                                                                                                                                                    KBA
                                                                                                                                                                                                                                                                                                                                                                                                                                                                                                                                                                                      ih                                                                  12
                                                                                                                                    2                                                                                                                                                       ”                                                                                                                                                                                                                           ”
                                                                                                                                82           03
                                                                                                                                             u
                                                                                                                                    mi

                                                                                                                                                                                                                                                                                                                                                                                                                                                                                                                                                                                                                           sec_30]
                                                                                                                                                                                                                                                                                                                                                                                                                                                                                                                                                                                                                                                          V
                                                                                                                                         LBATO
                                                                                                                                                                                                                                            3                                                                                                                                                                                                                                                                                                                                                                             [                                                        —>LBA

                                                                                                                   nn                                                    aus    233
                                                                                                                                                                                                                                              aa      11
                                                  zum                      ums       823                         uu08         02)
                      Win     123                                                                                                                                                                                       .
                                                             €)
                            [1]
                                                                                                                                                                                                                                              r
                                                                                                                                                              Ar 16                                                                                                                                                                                                                                                                                                                                                                                                                                                                                               JEA         19
 LAB60
          —>                                                                                                                                                        wi                                                                                                                                                                                                                                                                                                                                                                                                                                                                                                  091
                                                                                                                                                              K                                                                                                                                                                                                                                                                                                                                                                                                                                                                                                   x
                                                                                                                                                                                               <-LaR                                                                                                                                                                                                                                                                                                                                                                                                                      LARLI
                Be                                                                                                                                                                                                               11                                                                                                                                                                                                                                                                                                                                                                                                            —>


                                     EMOR                     Base     &23                 wa08              023
                                                  €


                                                                                                                                                                                                                                                                                                                                                                                                                                                               8 10

                                                                                                                                                                                                                                                                                                                                                                                                                                                               ei
                                                                                                                                                                                                                                                                                                                                          JNA                                                                                                                                                                                                    JNA                                                                                                                                        DAMP
                                                                                                 DANPFERZEULER
                                                                                                                                                                                                                                                                                                                                                          12                                                                                                                                                                                                L2



                                                                                                                                                                                                                                                                                                                                                                                                                                                                                                                                                       v
                                                                                                                                                                                                                                                                                                                                                                                                                                                          18
                                                                                                                                                                                                                                                                                                                                                                                                                                                a                                                                   m                NY                                                                                       JEC
                                                                                                                                                                                                                                                                                                    Bu                             sms                                                       aus                                                                                                                sus                                                             285
                                                                                                                                                                                                                                                                                                           872                              ezz                                                                                                                                                                         97                                                            er
                                                                                                                                                                                                                                            Be                                                                                                                                                       er                                        mu 001                                                                                                       ma
                                                                                                                                                                                                                                                                                                                                                     Y                ma         31                                                                                                                                                                              4
                                                                                                                                                                                                                                                                                                                                                                                                                                                                                                                                                                                                                                          0
                                                                                                                                                                                                                                                                                                                                                                                                                                                                                                                                                                                                                                                          LOOP
                                                                                                                                                                                                                                                                                                                                                                                                                                                                                                                                                            BR 005
                                                                                                                                                                  LOOP                                                                                                                                                                                                                                                                                                                                                                                                                                                                                                        40
                                                                                                                                                                           10
                                                                                                                                                                                                                                                                                      RS                        Saas
                                                                                                                                                                                                                                                                                                  872                         az                                                 Bus                      sur                                                                                                                005                                 25        07              zum
                                                                                                                                     Im                                                                                                                                                                                                                                                  zz                      gr                                                                                         U   0                  Im                                                            ar
                                                                                                                                              4                                                                                                                                                                                                                                                                                                                                                                                                                                                                                                     KBA
                                                                                                                                    as            7z
                                                                                                                                                                                                                                                                                                                                                                                                                                                                                                                                                                                                                                                          12
                                                                                                                                     „ns



                                                                                                                                                                                                                                                                                                                                                                                                                      REAKTORDRUCKBEHAELTER



                                                                                                                                                                                                                                                                                                                                                                                                                                                                                                                                                                                                                          [sec v0]                        V
                                                                                                                                                                                                                                             Be                                                                                                                                                                                                                                                                                                                                                                           [ex soo]



                                                                                                                                                                                               ums                                                                                          KBA
                                                                                                                                                                                                       un
34

Erfassung                                                      Auswertung



                                         ÜBERWACHUNG
GLOBALE




                                                                                                                                                                                                                                                                                                                                                                                 Saas

                                                                                                                                                                                                                                                                                                                                                                                                   ss




                       Betriebs-                                                                                              20   mA
                                                                                                                                                                                                                                                                      Sammel-

                                                                      Anlagenrechner                                                                                                                                                                                                                                                                                                    Opto
                       instrumen-

                                                                                                                                                                                                                                                                      alarm
                                                                                                                                                                                                                                                                                                                                                                     ZN                     Disk

                       tierung

                                                                                                                                                                                                                                                                                                                                                                                 nn                     ee




                                    Er                                                                                                                                                                                                                                                                                                                                                  N
                                                                                                                                                                                                                                                                                                                                                                            Bu
                                                                                                                                                                                                                                                                                                                                                                                                                       Monitor
                                                                                                                                                                                                                        Haupt-                                                             Aus-                  und               Ein-

                                                                                                                                                                                                                       rechner                                                             gabekonsole
                                                                                                                                                                                                                                                                                                                                                                                        \
                                                                                                                                                                                                                                                                                                                                                                                                             N
                                                                                                                                                                                                                                                                                                                                                                                                                 I
                                                                                                                                                                                                                                                                                                                                                                                                                     Winchester


                                ÜBERWACHUNG                                                                                                                                                                                                                                                                                                           PC
LOKALE




                                                                      __                  ID                un
                                                                                                                    Mac
                                                                                                                                                                                                                 verwaltung
                                                                                                                                                                                                                              Job-
                                                                                                                                                                                                                                                    Fu
                                                                                                                                                                                                                                                                                           Platten



                                                                                                                                                                                                                                                                                           laufwerk
                                                                                                                                                                                                                                                                                                                           -
                                                                                                                                                                                                                                                                                                                                                                                 2
                                                                                                                                                                                                                                                                                                                                                                                                                     |
                                                                                                                                                                                          RS422                                                                                                                                                                                                                       Drucker
                                                                                                                        000
                                     Meßwertaufnehmer
                                                         1                                                                                                                                                                                                                                                                                                            muy
                                                                                                                    6
                                                                                                                        „up
                                                             <____|                                                                                                                                                                                                                   Grafische                                Darstellung
                                                                                                           System
          Sonder-                                       56                                            AD
                                                                                                                                                                                                                                                                                                         Bildschirm
                                                                                                                                                                                                                                                     aan                              über
          instrumen-
                                                                                                                                                                                                                                                           un

          tierung


                                                                                                                                                                                                                         Doku-
                                                                                                                                                                                                                                                                its              us
                                                                                                                                                                                                                                                                                                                                             |                      L_-_N
                                                                                                                                                                                                                                                                                                                                                                                                                     Bandgerät




                                                                                         ID                         Mac                                                                                           mentation
             re                                                                                            hu
                                                                                                                                                                                                                                                                                      Magnetband-

                                                         1 ae                                                        000
                                                                                                                6                                                                                                                                                                     station

                                                                                                                    HP

                                                                                                           System
                                                                                                                                                                                                                „P
                                                                                                                                                                                                                                                    (.
                                                        56                                            AD




                                                                                                                                                                              een
                                                                                                                                                                                                                                                                                                                                             Band
                                                                                       Koaxialkabel                                                                                               Containment                                                                                                                                                -
                                                                                                                                                                                                                                                                                                                      _—




                                                                                                                                   weieeeeieieeeeieeenneicieeieieieie'eeene.e.e.e.e.e.e
                                                                                                                                                                                                                                                                                                                                             archiv




                                                                                                                                                                                                                                 Meßwerterfassung
                                                                                                                                                                                                     Prinzip                                                                              Auswertung
                                                                                                                                                                                                                                                                                und
                                                                                                                                                                                                                                                                                                                                                                                                                                  Beilage 14
35

Beilage 15




               Tr.nta nment
                   Ü OÖ

                    Meßsystem


                                [ET]


                              N
                                  Ki


                       ul
                                    {




                                  a




                      „Tr

                                                           Netzwerk




                                             Steuer- und




                     =
                                            Auswertesystem
                      HILTON
                      rY SIHKCHERFEHFEFFR
                      L7 7]
                      rt
                      BT
                                     TTTT


                                    LITT
                                    HIHI]
                              Orr




PC-gesteuerteMeßanlage, vernetztmit Steuer- und Auswertesystem
36

BETRIEBSGESCHEHEN
                                                                                                                                                                                                                                                                                                                     März        1989


GKN
                                                           1.
                                                                                                                                                                                                                                                                                                    Berichtsinonat

                                                                 Betriebsdiagramm                                Reaktor
                                                                                                                                                                                                                                                                                                                                              Seite
                                              Il           1.2

                                                                                                                                                                                                                                                                                                                                             /
                                 100




                                        80-



                                        60-




                                        40




  (%) Bunys aL 1ogyeay
                                        20


                                         0-                                                                                                                                                                                                     19     20   21   22   23   24   25   26   27   28                29         30          31
                                                                                                                                                   10         12         13                   14         15        16                 17   18
                                                     1 2 3 4                                                    8 9                                                                                                                                                                                                                 Tage




ayas maay
                         Bemerkungen:




                                                                                                                                                                                          Steuerstabes
                                                                                                                                       Stabfehleinfall
                                                                 Leistungsreduzierung

                                                                                                                wegen
                                                                                                                                                                          des                                                    EO
                                                   05.07
                                              A)
                                                                                                                                                                                                              (Stabfehleinfall
                                                                                                                                                                    Stabsteuerung
                                                                 Leistungsreduzierung
                                                                                                                                           Störung            der                                                                                L9)
                                                   18.26                                                        wegen
                                              B)                                                                                                         in
                                                                                                                                                                                    Stabsteuerung
                                                                                                                           Störungssuche
                                                                 Leistungsreduzierung


                                                                                                                zur                                            an   der
                                             c)
                                                                                                 Kurzrevision
                                                                 Hand-RESA
                                                                                        Beginn
                                                   19.35
                                              E)
                                                                                                                                                                                                                                                                                                                                             Beilage
                                                                                                                                                                                                                                                                                                                                              16
37

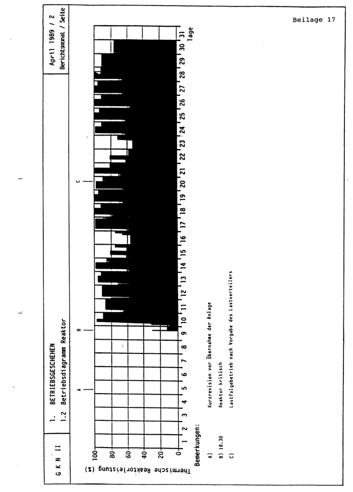
BETRIEBSGESCHEHEN


                                                                                                                                                                                                                                                            April        1989
GCKNu                                                1.
                                                                                                                                                                                                                                                    Berichtamonat
                                                                  Betriebsdiagramm                                   Reaktor                                                                                                                                                              Seite
                                                     1.2                                                                                                                                                                                                                                /2
                                                                                                                                                                                                                                                                                       /
                              100




                                    80


                                                                                                                                                                                                                                                                            une



                                    60                                                                                                                                                                                                                                                 d

                                    40




    (%) Bunys aL1o3yeay
                                    20



                                                                                                                                     10                          12   13   14   15   16   17   18   19   20   21   22   23 24   25   26   27   28              29   30            31
                                                 2                                                                             9                                                                                                                                          Tage




ayastunay
                     Bemerkungen:




                                                                                                        Übernahme
                                                           Kurzrevision                                                                Anlage
                                                                                                  vor                          der
                                    A)
                                         18.30             Reaktor                     kritisch

                                    B)
                                                                                                                                                Lastverteilers
                                                           Lastfolgebetrieb                                         Vorgabe
                                                                                                        nach                         des
                                    c)
                                                                                                                                                                                                                                                                                       Beilage 17
38

‚ot
                                                                                                    BETRIEBSGESCHEHEN




                                                                                                                                                                                                                                                                                                                       Mai   1989
GKN
                                                                       1.
                                                                                                    Betriebsdiagramm
                                                  II                                                                                         Reaktor                                                                                                                                                       Berichtsmonat
                                                                       1.2                                                                                                                                                                                                                                                                    Seite
                                                                                                                                                                                                                                                                                                                                           /2
                                       100
                                                                                                                                                                                                                                                                                                                                           /
                                             80


                                             60


                                             40


                                             20



                                              0                                                                                                                                                                                                                                                                    2930
                                                                                                                                                                      10                    12            13              14   15   16   17   18   19   20         21   22   23   24   25   26   27   28                              31
                                                          1 2 3 4 5 6 7 8 9                                                                                                                                                                                                                                                         Tage




(%) Bun3s 3L1023y4eay aydsiuuays
                              Bemerkungen:




                                                                                                                                                                           Lastverteilers
                                                                             Lastfolgebetrieb                                      Vorgabe
                                                                                                                        nach                                         des
                                         A)
                                                                                                                                                                                                  Turbinenprüfautonatik
                                                                             Leistungsreduzierung                                                      Durchfahren
                                                  12.20        12.50                                                           zwecks
                                                                                                                                                                                            der
                                        B)                 -
                                                                                                                                                                                                                                                                                                                                           Beilage 18
39

BETRIEBSGESCHEHEN


                                                                                                                                                                                                                                                          Juni   1989

       GKN                                                   !.                                                                                                                                                                                Berichtsnonat
                                                                   Betriebsdiagramm                                                   Reaktor                                                                                                                                   Seite
                                        Il                   1.2                                                                                                                                                                                                             /2
                                                                                                                                                                                                                                                                             /




           (%)
                             100
                                                                                                                                                                        Ir
                                   80




                  1
                                   60




Bungs
                                   40




   103Xe3y
                                   20



                                                                                                                                                                                                                                                         29°30
                                    0                                                                                                                              14   15   16   177   18   19   20   21   22   23   24   25   26   27   28                            31
                                                                                                                                                10       12   13
                                                                                                                                                                                                                                                                    Tage
                                                            2 3 4 5 6 7 8 9                                                                          n




        a SuIs twuay]
                    Bemerkungen:
                                                      I
                                                                                                                     Lastverteilers
                                         Lastfolgebetrieb                                            Vorgabe
                                                                                       nach                    des
                                   A)
                                         Abnahneversuche
                                                                                              100%
                                                                             bei
                                   8)    Abnahneversuche


                                                                             bei              80%
                                   c)    Abnahneversuche


                                                                            bei               60%
                                   D)
                                         Abnahmeversuche


                                                                            bei               40%
                                   £)
                                                                                                                                                                                                                                                                             Beilage 19
40

Go to next pages